Craftsman Table Saw Upgrades Woodworking Talk
Craftsman Table Saws For Sale Ebay
Fence Upgrades For Craftsman Table Saw By Jarodmorris Lumberjocks Com Woodworking Community
Sears Craftsman Wood Shaper 113 239201 113 239390 Owners Parts Manual 1518 Ebay
Craftsman Table Saw Upgrades Woodworking Talk
Craftsman 113 241691 Flex Drive 10 Industrial Table Saw And Stand For Sale In Riviera Beach Fl Offerup
Free Craftsman Saw User Manuals Manualsonline Com
Craftsman Table Saw Upgrades Woodworking Talk
Craftsman Table Saws For Sale Ebay
Manual Craftsman Table Saw Model 113 298720 And 750 Pdf Glasses Electrical Connector
Craftsman Table Saw Upgrades Woodworking Talk
Craftsman Contractor Saw 113 298762 Tune Up Leveling The Saw Adjusting The Cast Iron Wings Youtube
Craftsman 10 Inch Contractor Table Saw Review Table Saw Central
Craftsman 113 12171 Woodworking Talk
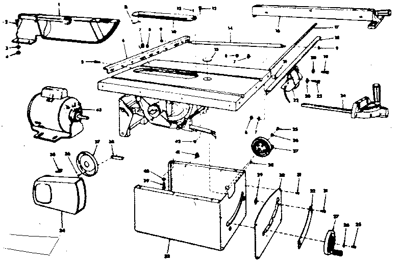
Craftsman 113298032 Table Saw Parts Sears Partsdirect
Craftsman Table Saw Upgrades Woodworking Talk
The Region S 1st Choice For Auctions Browse Auctions Search Exclude Closed Lots Auctions My Items Signup Login Catalog Auction Info Fink Quality Equipment Shop Tools 1 2 93484 06 06 2018 5 00 Pm Edt 07 02 2018 7 52 Pm Edt
Retrofitting A Delta T2 Fence To A Craftsman Table Saw 7 Steps Instructables


0 comments:
Posting Komentar